Holz-Aluminium Fenster
batimet TA35 FB5
Fordern Sie hier Ihr Gratis Handmuster an: Musteranforderung
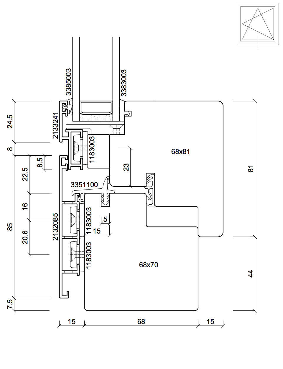
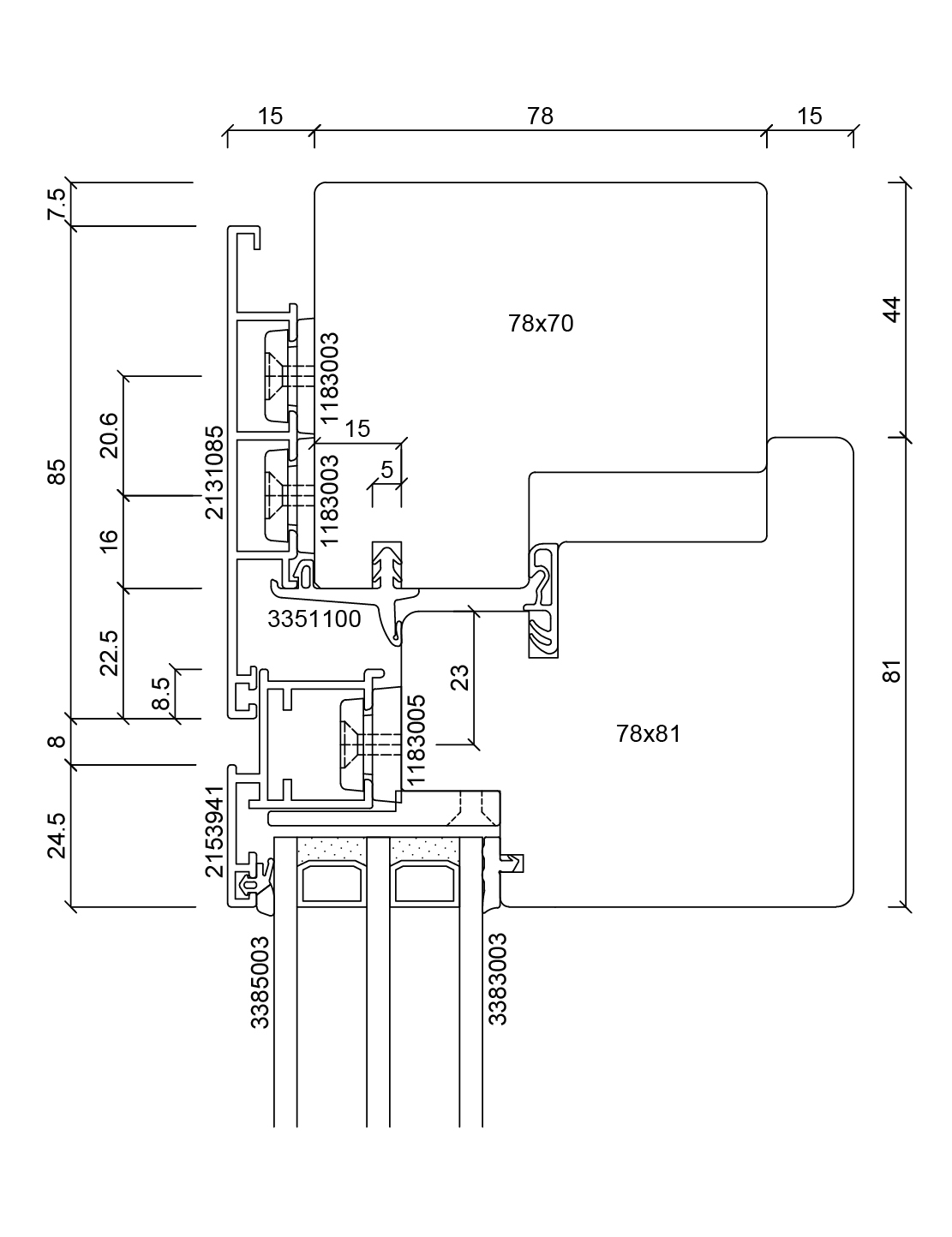
Rahmenprofil und Flügelprofil bilden eine flächenbündige Ebene. Zwischen Glas und Flügelprofil besteht ein Versatz von 8 mm Tiefe. Die Ansichtsbreite des sichtbaren Flügelprofils beträgt 33 mm. Bei bestimmten statischen Anforderungen kann das Flügelprofil breiter ausgeführt werden. Die Entwässerung des Falzbereiches erfolgt durch verdeckte Stanzungen im unteren Profilquerstück des Rahmens. Optional kann eine sichtbare Entwässerung mit Abdeckkappe ausgeführt werden.
- Flügelhöhen bis 3.000 mm
- Flügelbreiten bis 1.600 mm
- Flügelgewicht als Dreh-Kipp bis 200 kg
- Flügelgewicht als Dreh bis 300 kg
Die Eckverbindungen der Aluminium-Rahmen werden in geschweißter Form ohne sichtbare Fugen ausgeführt. Die Beschichtung wird nach den gültigen Qualitätsrichtlinien für die Beschichtung von Bauteilen aus Aluminium der GSB-International GSB AL 631, bzw. den QUALICOAT-Vorschriften ausgeführt.
Top Uw-Werte
Uw-Werte ≥ 0,74 W/m²K
Holzarten
Fichte, Kiefer, Tanne, Lärche, Eiche, Hemlock, Douglasie
Oberflächen
RAL, NCS, DB, Eloxal, Metallic, hochwetterfest, seewassertauglich
Eckverbindung
Geschweisste Eckverbindung, keine sichtbaren Fugen, dauerhafter Korrosionsschutz
DIN EN 12207 | Luftdurchlässigkeit: Klasse 4 |
DIN EN 12208 | Schlagregendichtheit: Klasse E1200 |
DIN EN 12210 | Widerstandsfähigkeit bei Windlast: Klasse C4 |
DIN EN ISO 10077-2 | Uw ≥ 0,74 W/m²K |
DIN EN ISO 717-1 | Schallschutz: Rwp = 48 dB |
DIN EN 1627 | Einbruchhemmung: RC1N, RC2N, RC2 |
DIN 18008-4 | TRAV Absturzsicherung: Kategorie A, B, C |