Holz-Aluminium Fenster batimet TA35 SLVB

batimet TA35 SLVB
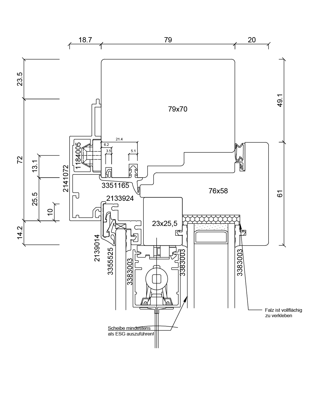
batimet TA35 SLVB Schnitt

Holz-Aluminium Fenster
batimet TA35 SLVB

Die Hauptcharakteristik ist ein eigenständiger verglaster Flügelrahmen außen, der sich über ein Verbundbeschlagsystem öffnen lässt. Das Rahmenprofil verdeckt das Flügelprofil soweit, dass zwischen Festverglasungen und Öffnungselemente eine gleiche Rahmenansicht entsteht. Die Kontur der Systemkonstruktion wird durch die schmale Rahmenansicht von 50 mm dominiert. Zwischen Glas und Flügelprofil besteht ein Versatz von 8 mm Tiefe. Die Konstruktion ist als Integralflügel oder Blockflügel definiert. Bei bestimmten statischen Anforderungen kann das Flügelprofil breiter ausgeführt werden. Die Entwässerung des Falzbereiches erfolgt durch verdeckte Stanzungen im unteren Profilquerstück des Rahmens. Optional kann eine sichtbare Entwässerung mit Abdeckkappe ausgeführt werden.

  • Flügelhöhen bis 3.000 mm
  • Flügelbreiten bis 1.600 mm
  • Flügelgewicht als Dreh-Kipp bis 200 kg
  • Flügelgewicht als Dreh bis 300 kg

Die Eckverbindungen der Aluminium-Rahmen werden in geschweißter Form ohne sichtbare Fugen ausgeführt. Die Beschichtung wird nach den gültigen Qualitätsrichtlinien für die Beschichtung von Bauteilen aus Aluminium der GSB-International GSB AL 631, bzw. den QUALICOAT-Vorschriften ausgeführt.

 
 

Top Uw-Werte

Uw-Werte ≥ 0,69 W/m²K

Holzarten

Fichte, Kiefer, Tanne, Lärche, Eiche, Hemlock, Douglasie

Oberflächen

RAL, NCS, DB, Eloxal, Metallic, hochwetterfest, seewassertauglich

Eckverbindung

Geschweisste Eckverbindung, keine sichtbaren Fugen, dauerhafter Korrosionsschutz

DIN EN 12207 Luftdurchlässigkeit: Klasse 4
DIN EN 12208 Schlagregendichtheit: Klasse E1200
DIN EN 12210 Widerstandsfähigkeit bei Windlast: Klasse C4
DIN EN ISO 10077-2 Uw ≥ 0,69 W/m²K
DIN EN ISO 717-1 Schallschutz: Rwp = 48 dB
DIN EN 1627 Einbruchhemmung: RC1N, RC2N, RC2
DIN 18008-4 TRAV Absturzsicherung: Kategorie A, B, C

Weitere batimet-Produkte, die Sie interessieren könnten:

Copyright © batimet GmbH 2021